| < Предыдущий | Следующий > |
1 | Для каждого физического понятия из первого столбца подберите соответствующий пример из второго столбца.
|
2 | Груз поднимают с помощью подвижного блока радиусом R (см. рисунок). Установите соответствие между физическими величинами и формулами, по которым они определяются.
|
3 | Большие мосты из стали или железобетона ставят особенным способом. Неподвижно закрепляют только один конец моста, а другой лежит на стальных катках, так как длина моста в течение года изменяется. Какое физическое явление объясняет это изменение?
1) намагничивание стали 2) тепловое расширение тел 3) упругая деформация 4) неупругая деформация
|
4 | Прочитайте текст и вставьте на место пропусков слова (словосочетания) из приведённого списка. Радиоактивный препарат помещают в магнитное поле, в результате чего пучок радиоактивного излучения распадается на три компоненты (см. рисунок).
Магнитное поле действует на _____ с силой, называемой _____. Следовательно, компонента (2), не взаимодействующая с магнитным полем, является _____. По правилу «левой руки» можно определить, что компонента (3) является _____. Список слов и словосочетаний 1) движущиеся заряженные частицы 2) покоящиеся электрические заряды 3) альфа-лучи 4) бета-лучи 5) гамма-лучи 6) сила Лоренца 7) сила Ампера
|
5 | В U-образных трубках находятся две несмешивающиеся жидкости А и В. В какой из трубок плотность жидкости А, налитой в трубку, в три раза меньше плотности жидкости В?
|
6 | Снаряд, импульс которого р был направлен горизонтально, разорвался на два осколка. Импульс одного осколка p1 сразу после разрыва был направлен вертикально вниз (рис. 1). Какое направление имел импульс р2 второго осколка (рис. 2)?
|
7 | Чему равна масса спирта, взятого при температуре 28 °С, если для его нагревания до температуры кипения необходимо затратить количество теплоты 12 кДж?
|
8 | Утюг работает от сети, напряжение которой 220 В. Какой заряд проходит через нагревательный элемент утюга за 5 мин? Сопротивление утюга равно 27,5 Ом.
|
9 | Высота Солнца над горизонтом (см. рисунок) равна 55°. Луч падает на зеркало, лежащее на горизонтальной поверхности. Чему равен угол падения луча?
|
10 | Используя фрагмент Периодической системы химических элементов, представленный на рисунке, определите, сколько электронов входит в состав отрицательного иона фтора, получившего один дополнительный электрон.
|
11 | В процессе кипения вода превращается в пар. Как при этом изменяется температура и внутренняя энергия системы вода — пар? Установите соответствие между физическими величинами и их возможными изменениями. Для каждой величины определите соответствующий характер изменения: 1) увеличивается 2) уменьшается 3) не изменяется
|
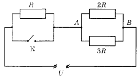
12 | На рисунке изображена схема электрической цепи, включающей источник постоянного напряжения U, три резистора сопротивлениями R, 2R, 3R и ключ К.
Как изменяются при замыкании ключа сила тока, протекающего через резистор 3R. и общее электрическое сопротивление цепи? Установите соответствие между физическими величинами и их возможными изменениями. Для каждой величины определите соответствующий характер изменения: 1) увеличивается 2) уменьшается 3) не изменяется
|
13 | В таблице указаны некоторые характеристики планет Солнечной системы. Все параметры в таблице, кроме плотности, указаны в отношении к аналогичным данным Земли.
Используя данные таблицы, выберите из предложенного перечня два верных утверждения. Укажите их номера. 1) По мере удаления от Солнца масса планет увеличивается. 2) Плотность планет земной группы больше плотности планет-гигантов. 3) Самую большую угловую скорость вращения вокруг своей оси имеет Венера. 4) Время, проходимое планетой по её орбите, характеризует сутки на данной планете. 5) Планеты-гиганты характеризуются наличием большого количества спутников.
| ||||||||||||||||||||||||||||||||||||||||||||||||||||||||||||||||||||||||||||||||||||||||
14 | На рисунке представлен график зависимости модуля скорости v от времени t для тела, движущегося прямолинейно в инициальной системе отсчёта.
Используя данные графика, выберите из предложенного перечня два верных утверждения. Запишите в ответе их номера. 1) На участке DE тело двигалось равномерно. 2) Наибольшее ускорение тело имело на участке АВ. 3) В интервале времени от 6 до 8 с тело прошло путь 6 м. 4) На участке CD кинетическая энергия тела уменьшалась. 5) В интервале времени от 0 до 2 с тело прошло путь 6 м.
|
15 | Укажите правильную электрическую схему для измерения силы электрического тока на резисторе R2 при последовательном соединении двух резисторов R1 и R2.
|
16 | Используя стакан с горячей водой, термометр и часы, учитель на уроке провёл опыты по исследованию температуры остывающей воды с течением времени. Результаты измерений он занёс в таблицу.
Из предложенного перечня выберите два утверждения, соответствующих экспериментальным наблюдениям. Запишите в ответе их номера. 1) Остывание воды происходит до комнатной температуры. 2) За первые 5 минут вода остыла в большей степени, чем за следующие 5 минут. 3) Температура остывающей воды обратно пропорциональна времени наблюдения. 4) Скорость остывания воды уменьшается по мере охлаждения воды. 5) По мере остывания скорость испарения уменьшается.
|
17 | Соберите экспериментальную установку для определения работы электрического тока, совершаемой в резисторе, используя источник тока, вольтметр, амперметр, ключ, реостат, соединительные провода и резистор, обозначенный R2. При помощи реостата установите в цепи силу тока 0,5 А. Определите работу электрического тока в резисторе в течение 5 мин. В бланке ответов: 1) нарисуйте электрическую схему эксперимента; 2) запишите формулу для расчёта работы электрического тока; 3) укажите результаты измерения напряжения при силе тока 0,5 А; 4) запишите численное значение работы электрического тока.
|
18 | Установите соответствие между техническим устройством (прибором) и действием электрического тока, лежащим в основе его принципа действия.
|
19 | Какое(-ие) из утверждений верно(-ы)? А. Допустимое время пребывания водолаза на глубине прямо пропорционально глубине погружения. Б. Батисфера представляет собой самоуправляемый аппарат для исследования морских глубин. 1) только А 2) только Б 3) и А, и Б 4) ни А, ни Б
|
20 | Как изменяется по мере погружения колокола плотность и давление воздуха в нём? 1) плотность и давление увеличиваются 2) плотность и давление уменьшаются 3) плотность увеличивается, давление уменьшается 4) плотность и давление не изменяются
|
21 | Допустима ли (согласно таблице) работа водолаза на глубине 30 метров в течение 2,5 ч? Ответ поясните.
|
22 | При каких условиях у человека возникает в большей степени ощущения жары: 1) при температуре воздуха 35 °С и относительной влажности 90%; 2) при температуре воздуха 35 °С и относительной влажности 40%? Ответ поясните.
|
23 | Электродвигатель постоянного тока работает при напряжении 200 В и силе тока 20 А. Полезная мощность двигателя 3 кВт. Чему равен КПД электродвигателя?
|
24 | С какой скоростью нужно бросить вертикально вниз с высоты 1,25 м шарик, чтобы после удара он поднялся на высоту в 3 раза большую, если в процессе удара теряется 40 % механической энергии шара? Сопротивлением воздуха пренебречь.
|
25 | Электроплитка имеет две спирали. Если в сеть включена первая спираль, то вода в кастрюле закипает через 20 минут, если спирали включены последовательно, то — через 30 минут. Через какое время закипит вода в кастрюле, если включена только вторая спираль? Начальные температуры и массы воды одинаковы. Сопротивление спиралей электроплитки не зависит от условий работы. |
| Авторизация через | ![]() |
Сборник предназначен для самостоятельной подготовки к выпускным экзаменам. Благодаря тестовым заданиям из открытого банка заданий, вы можете проверить свои знания и определить, насколько подготовлены к соответствующим экзаменам. Также этот сборник будет полезен учителям, которые могут использовать его для контроля результатов освоения школьниками образовательных программ основного общего образования и интенсивной подготовки учащихся.
При выполнении заданий на экзаменах можно пользоваться черновиком. Записи в черновике не учитываются при оценивании работы. Баллы, полученные Вами за выполненные задания, суммируются. Постарайтесь выполнить как можно больше заданий и набрать наибольшее количество баллов.
Желаем успехов при сдаче экзаменов!
| < Предыдущий | Следующий > |