| < Предыдущий | Следующий > |
1 | Для каждого физического понятия из первого столбца подберите соответствующий пример из второго столбца.
|
2 | Груз поднимают с помощью подвижного блока радиусом R (см. рисунок). Установите соответствие между физическими величинами и формулами, по которым они определяются.
|
3 | На очень точных и чувствительных рычажных весах уравновешены медная пластинка и кусок пробки. Однако учитель сказал, что на самом деле масса пластинки больше, так как на тела помимо силы тяжести и силы упругости действует ещё одна сила. О какой силе идёт речь? 1) сила тяготения 2) сила сопротивления 3) сила реакции опоры 4) выталкивающая сила
|
4 | Прочитайте текст и вставьте на место пропусков слова (словосочетания) из приведённого списка.
Знак избыточного заряда, который получают тела при трении, зависит от энергии связи электрона с атомами веществ, из которых изготовлены тела. Чем меньше энергия связи, тем легче вещество отдаёт свои _____. На диаграмме представлен ряд веществ в порядке возрастания (сверху вниз) _____ с атомами вещества. Согласно рассмотренной модели электризации, при трении палочки из стекла о кусок янтаря стекло получает _____ заряд, а янтарь получает _____ заряд. Список слов и словосочетаний 1) протоны 2) электроны 3) отрицательный 4) положительный 5) нейтральный 6) энергия связи электрона 7) взаимодействие излучения
|
5 | Тело движется в положительном направлении оси Ох. На рисунке представлен график зависимости от времени t для проекции силы Fx, действующей на тело. На сколько увеличится в интервале времени от 0 до 5 с проекция импульса тела на ось Ох?
|
6 | На рисунке изображён подвижный блок, с помощью которого, прикладывая к свободному концу нити силу F, равномерно поднимают груз массой 2 кг.
Чему равна сила, если трением пренебречь и блок считать невесомым?
|
7 | Какое количество теплоты необходимо затратить, чтобы нагреть кусок льда массой 0,2 кг от -10 °С до температуры плавления?
|
8 | Постоянный магнит с некоторой скоростью вносят в катушку, замкнутую на гальванометр (см. рисунок).
Какому из рисунков 1-4 будут примерно соответствовать показания гальванометра, если выносить магнит из катушки с большей скоростью?
|
9 | Во сколько раз уменьшится мощность плитки, если к спирали электроплитки подключить последовательно ещё одну такую же спираль?
|
10 | Используя фрагмент Периодической системы химических элементов, представленный на рисунке, определите, сколько электронов входит в состав нейтрального атома кислорода.
|
11 | В цилиндре под герметичным поршнем находится газ. Поршень перемещают вниз. Температура газа поддерживается постоянной. Как по мере перемещения поршня меняется давление газа и его объём?
Для каждой величины определите соответствующий характер изменения: 1) увеличивается 2) уменьшается 3) не изменяется
|
12 | На рисунке изображена электрическая цепь, состоящая из источника тока, резистора и реостата. Как изменяется при передвижении ползунка реостата вправо его сопротивление и сила тока в цепи?
Установите соответствие между физическими величинами и их возможными изменениями. Для каждой величины определите соответствующий характер изменения: 1) увеличивается 2) уменьшается 3) не изменяется
|
13 | На рисунке представлены графики зависимости смещения х от времени t при колебаниях двух математических маятников.
Из предложенного перечня утверждений выберите два правильных. Укажите их номера. 1) Периоды колебаний маятников различаются в 2 раза. 2) Маятники совершают колебания с одинаковой амплитудой, но разной частотой. 3) Оба маятника совершают затухающие колебания. 4) Частота колебаний второго маятника в 2 раза больше. 5) Длина нити первого маятника меньше длины нити второго маятника.
|
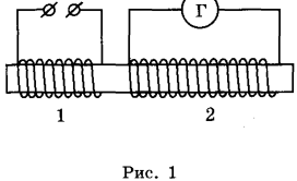
14 | Две катушки надеты на железный сердечник (рис. 1). Через первую катушку протекает электрический ток (график зависимости силы тока от времени представлен на рис. 2). Вторая катушка замкнута на гальванометр.
Используя текст и рисунки, выберите из предложенного перечня два верных утверждения. Запишите в ответе их номера. 1) Заряд, прошедший через первую катушку в интервале времени от 0 до 40 с, равен 120 Кл. 2) Индукционный ток, возникающий в катушке 2 в интервале времени от 0 до 40 с, имеет наибольшее значение. 3) В течение всего времени наблюдения (от 0 до 120 с) в катушках существует магнитное поле. 4) В течение всего времени наблюдения (от 0 до 120 с) в катушке 2 протекает индукционный ток. 5) Заряд, прошедший через вторую катушку в интервале времени от 0 до 40 с, равен 80 Кл.
|
15 | Запишите результат измерения атмосферного давления с помощью барометра-анероида (см. рисунок), учитывая, что погрешность измерения равна цене деления.
1) (755 ± 1) кПа 2) (755 ± 10) кПа 3) (107 ± 1) кПа 4) (100,7 ± 0,1) кПа
|
16 | В стеклянную трубку, нижнее отверстие которой закрыто тонкой резиновой плёнкой, по очереди наливают разные объёмы воды (см. рисунок). В результате резиновое дно прогибается.
Выберите из предложенного перечня два утверждения, которые соответствуют результатам проведённых экспериментальных наблюдений. Запишите в ответе их номера. 1) Жидкость оказывает давление на дно сосуда. 2) Давление, создаваемое жидкостью на дно сосуда, зависит от рода жидкости. 3) Давление, создаваемое жидкостью на дно сосуда, не зависит от формы сосуда. 4) Давление, создаваемое жидкостью на дно сосуда, зависит от высоты столба жидкости. 5) Давление внутри жидкости на одном и том же уровне одинаково по всем направлениям.
|
17 | Используя штатив с муфтой и лапкой, пружину, динамометр, линейку и три груза, соберите экспериментальную установку для измерения жёсткости пружины. Определите жёсткость пружины, подвесив к ней три груза. Для измерения веса грузов воспользуйтесь динамометром. В бланке ответов: 1) сделайте рисунок экспериментальной установки; 2) запишите формулу для расчёта жёсткости пружины; 3) укажите результаты измерений веса грузов и удлинения пружины; 4) запишите числовое значение жёсткости пружины.
|
18 | Установите соответствие между физическими приборами и физической закономерностью, лежащей в основе их работы.
|
19 | Выберите верное утверждение. А. Любое тело во внешнем магнитном поле намагничивается и становится постоянным магнитом. Б. Железосодержащие кристаллики в лавовых напластованиях являются маленькими постоянными магнитами. 1) только А 2) только Б 3) и А, и Б 4) ни А, ни Б
|
20 | Если бы в Австралии в настоящее время установили железные колонны, то они 1) намагнитились бы таким образом, что южный полюс у них был бы наверху 2) намагнитились бы таким образом, что южный полюс у них был бы внизу 3) не намагнитились бы, так как находятся в Южном полушарии 4) перемагничивались бы два раза в год с изменением магнитного поля Земли
|
21 | В тексте говорится о том, что «за последние 4 млн лет геомагнитное поле изменяло свою полярность не менее девяти раз». Будет ли правильным утверждать, что полярность магнитного поля Земли меняется примерно каждые 440 тыс. лет? Ответ поясните.
|
22 | Возьмём два одинаковых стеклянных кувшина, наполним их одинаковым количеством воды комнатной температуры. Один из кувшинов накроем куском чёрной ткани. Поставим их на солнце и будем замерять температуру в них каждые полчаса (см. рис. 1 и 2). В каком кувшине температура будет повышаться быстрее? Ответ поясните.
|
23 | Два резистора соединены, как показано на рисунке. Сопротивления резисторов: R1 = 2 Ом, R2 = 4 Ом. Какая мощность выделяется в цепи, если напряжение на резисторах равно 24 В?
|
24 | Определите плотность материала, из которого изготовлен шарик объёмом 0,04 см3, равномерно падающий по вертикали в воде, если при его перемещении на 6 м выделилось 24,84 мДж энергии?
|
25 | В горизонтальном однородном магнитном поле на горизонтальных проводящих рельсах перпендикулярно линиям магнитной индукции расположен горизонтальный проводник массой 4 г (см. рисунок). Через проводник пропускают электрический ток. при силе тока в 10 А вес проводника становится равным нулю. Чему равно расстояние между рельсами? Модуль вектора магнитной индукции равен 0,02 Тл.
|
| Авторизация через | ![]() |
Сборник предназначен для самостоятельной подготовки к выпускным экзаменам. Благодаря тестовым заданиям из открытого банка заданий, вы можете проверить свои знания и определить, насколько подготовлены к соответствующим экзаменам. Также этот сборник будет полезен учителям, которые могут использовать его для контроля результатов освоения школьниками образовательных программ основного общего образования и интенсивной подготовки учащихся.
При выполнении заданий на экзаменах можно пользоваться черновиком. Записи в черновике не учитываются при оценивании работы. Баллы, полученные Вами за выполненные задания, суммируются. Постарайтесь выполнить как можно больше заданий и набрать наибольшее количество баллов.
Желаем успехов при сдаче экзаменов!
| < Предыдущий | Следующий > |