| < Предыдущий | Следующий > |
1 | Установите соответствие между приборами и физическими величинами, которые они измеряют.
|
2 | Груз равномерно поднимают вверх на высоту h, используя наклонную плоскость длиной l (см. рисунок). Установите соответствие между физическими величинами и формулами, по которым они определяются.
К каждой позиции первого столбца подберите соответствующую позицию второго столбца и запишите в таблицу выбранные цифры под соответствующими буквами.
|
3 | Любой водоём, дно которого хорошо видно, всегда кажется мельче, чем в действительности. Какое физическое явление объясняет это? 1) преломление света 2) рассеяние света 3) дисперсия света 4) поглощение света
|
4 | Прочитайте текст и вставьте на место пропусков слова (словосочетания) из приведённого списка. Укрепим в тисках упругую металлическую линейку (см. рисунок). Если ударить по линейке, то линейка будет издавать звук.
Источником звука является_____ движение тел. Звуковая волна является _____ и представляет собой распространяющиеся в пространстве разрежения и уплотнения воздуха. Если используемую линейку укоротить, то при ударе _____ колебаний линейки увеличивается, и увеличивается _____ издаваемого звука. Список слов и словосочетаний 1) частота 2) амплитуда 3) громкость 4) высота тона 5) колебательный 6) продольный 7) поперечный
|
5 | Шарик скатывается по наклонной плоскости из состояния покоя. Положение шарика через каждую секунду показано на рисунке.
Чему равно ускорение шарика?
|
6 | Камень, подброшенный вверх в точке 1, свободно падает на землю. Траектория движения камня схематично изображена на рисунке. Трение пренебрежимо мало.
В какой точке кинетическая энергия камня максимальна?
|
7 | На рисунке представлен график зависимости температуры от времени для процесса нагревания слитка свинца массой 1 кг. На сколько увеличилась внутренняя энергия свинца за 10 мин нагревания?
|
8 | Металлическая пластина, имевшая отрицательный заряд -10е, при освещении потеряла четыре электрона. Сколько избыточных электронов осталось на пластине?
|
9 | В течение 600 с через потребитель электрического тока проходит заряд 12 Кл. Чему равна сила тока в потребителе?
|
10 | Используя фрагмент Периодической системы химических элементов, представленный на рисунке, определите, сколько электронов содержится в нейтральном атоме свинца.
|
11 | Под колокол воздушного насоса поместили завязанный надутый резиновый шарик (см. рисунок). Затем под колокол стали дополнительно накачивать воздух. Как в процессе накачки воздуха изменяются объём шарика и давление воздуха в нём?
Для каждой величины определите соответствующий характер изменения: 1) увеличивается 2) уменьшается 3) не изменяется
|
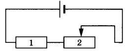
12 | На рисунке изображена электрическая цепь, состоящая из источника тока, резистора 1 и реостата 2. Ползунок реостата передвигают вправо. Как при этом изменяются сопротивление реостата и сила тока в цепи?
Для каждой величины определите соответствующий характер изменения: 1) увеличивается 2) уменьшается 3) не изменяется
|
13 | На рисунке представлен график зависимости температуры t от времени τ при равномерном нагревании и последующем равномерном охлаждении вещества, первоначально находящегося в твёрдом состоянии.
Используя данные графика, выберите из предложенного перечня два верных утверждения. Запишите в ответе их номера. 1) Участок БВ графика соответствует процессу кипения вещества. 2) Участок ГД графика соответствует кристаллизации вещества. 3) В процессе перехода вещества из состояния, соответствующего точке Б, в состояние, соответствующее точке В, внутренняя энергия вещества увеличивается. 4) В состоянии, соответствующем точке Е на графике, вещество находится частично в жидком, частично в твёрдом состоянии. 5) В состоянии, соответствующем точке Ж на графике, вещество находится в жидком состоянии.
|
14 | На рисунке представлена шкала электромагнитных волн.
Используя данные шкалы, выберите из предложенного перечня два верных утверждения. Запишите в ответе их номера. 1) Электромагнитные волны с частотой 2) Электромагнитные волны с частотой 3) Электромагнитные волны с длиной волны 1 м принадлежат радиоизлучению. 4) В вакууме рентгеновские лучи имеют большую скорость распространения по сравнению с видимым светом. 5) Ультрафиолетовые лучи имеют большую длину волны по сравнению с инфракрасными лучами.
|
15 | При измерении длины тетради с помощью линейки, имеющей цену деления 1 мм, ученик получил величину 20,1 см. Если погрешность измерения равна цене деления, то как должен быть записан ответ? 1) (20,1 ± 1) см 2) (20,0 ± 0,1) см 3) (20 ± 1) см 4) (20,1 ± 0,1) см
|
16 | Изучая магнитные свойства электромагнита, ученик собрал электрическую схему, содержащую катушку, намотанную на железный сердечник, и установил рядом с катушкой магнитную стрелку (рис. 1). При пропускании через катушку электрического тока магнитная стрелка поворачивается (рис. 2 и 3).
Какие утверждения соответствуют результатам проведённых экспериментальных наблюдений? Из предложенного перечня утверждений выберите два правильных. Запишите в ответе их номера. 1) Катушка при прохождении через неё электрического тока приобретает свойства магнита. 2) Магнитные свойства катушки зависят от количества её витков. 3) При увеличении электрического тока, протекающего через катушку, магнитное действие катушки усиливается. 4) При изменении направления электрического тока, протекающего через катушку, намагниченность железного сердечника, расположенного внутри катушки, менялась на противоположную. 5) Левому торцу железного сердечника (торцу 2) на рис. 2 соответствует южный полюс электромагнита.
|
17 | Используя штатив с муфтой и лапкой, шарик с прикреплённой к нему нитью, линейку и часы с секундной стрелкой (или секундомер), соберите экспериментальную установку для исследования зависимости периода свободных колебаний нитяного маятника от длины нити. Определите время для 30 полных колебаний и вычислите период колебаний для трёх случаев, когда длина нити равна соответственно 1 м, 0,5 м и 0,25 м. Абсолютную погрешность измерения интервала времени принять равной ±5 с. В бланке ответов № 2: 1) сделайте рисунок или описание экспериментальной установки; 2) укажите результаты прямых измерений числа колебаний и времени колебаний (с учётом абсолютной погрешности) для трёх длин нити маятника в виде таблицы; 3) вычислите период колебаний для каждого случая и результаты занесите в таблицу; 4) сформулируйте вывод о зависимости периода свободных колебаний нитяного маятника от длины нити.
|
18 | Установите соответствие между научными открытиями и именами учёных, которым эти открытия принадлежат.
|
19 | Наблюдатель, к которому источник света приближается, зафиксирует 1) увеличение скорости света и уменьшение длины световой волны 2) увеличение скорости света и увеличение длины световой волны 3) уменьшение длины световой волны 4) увеличение длины световой волны
|
20 | Примерно 100 лет назад американский астроном Весто Слайфер обнаружил, что длины волн в спектрах излучения большинства галактик смещены в красную сторону. Этот факт может быть связан с тем, что 1) галактики разбегаются (Вселенная расширяется) 2) галактики сближаются (Вселенная сжимается) 3) Вселенная бесконечна в пространстве 4) Вселенная неоднородна
|
21 | Как меняется воспринимаемая высота тона звукового сигнала поезда при его приближении к наблюдателю? Ответ поясните.
|
22 | Два спиртовых термометра — большой и маленький — сделаны из одинакового материала. Большой термометр значительно тяжелее и содержат в себе, соответственно, различные массы спирта. Термометры опустили в два одинаковых небольших стаканчика с одновременно налитым в них кипятком и дождались установления теплового равновесия в системе спирт — вода. Одинаковую ли температуру покажут термометры? Ответ поясните.
|
23 | КПД двигателя трактора не превышает 25 %. Вычислите максимальную полезную работу, которую может совершить двигатель трактора, израсходовав 5 кг бензина.
|
24 | Потенциальная энергия стрелы, выпущенной из лука со скоростью 30 м/с вертикально вверх, через 2 с после начала движения равна 40 Дж. Чему равна масса стрелы? Потенциальная энергия стрелы отсчитывается от уровня старта.
|
25 | Поезд, масса которого 4000 т, движущийся со скоростью 36 км/ч, начал торможение. За 1 минуту поезд проехал 510 м. Чему равна сила трения, действующая на поезд? |
| Авторизация через | ![]() |
Сборник предназначен для самостоятельной подготовки к выпускным экзаменам. Благодаря тестовым заданиям из открытого банка заданий, вы можете проверить свои знания и определить, насколько подготовлены к соответствующим экзаменам. Также этот сборник будет полезен учителям, которые могут использовать его для контроля результатов освоения школьниками образовательных программ основного общего образования и интенсивной подготовки учащихся.
При выполнении заданий на экзаменах можно пользоваться черновиком. Записи в черновике не учитываются при оценивании работы. Баллы, полученные Вами за выполненные задания, суммируются. Постарайтесь выполнить как можно больше заданий и набрать наибольшее количество баллов.
Желаем успехов при сдаче экзаменов!
| < Предыдущий | Следующий > |