| < Предыдущий | Следующий > |
1 | Для каждого физического понятия из первого столбца подберите соответствующий пример из второго столбца.
|
2 | Сравните громкость звука и высоту тона двух звуковых волн, издаваемых камертонами, если для первой волны амплитуда А1 = 2 мм, частота v1 = 400 Гц, для второй волны амплитуда A2 = 2 мм, частота v2 = 800 Гц. 1) громкость звука и высота тона одинаковы 2) громкость звука одинакова, высота тона первого звука меньше, чем второго 3) высота тона одинакова, громкость первого звука меньше, чем второго. 4) громкость звука и высота тона различны
|
3 | К пружинам, жёсткость которых k1 и k2 = 2k1, подвешены тела одинаковой массы. Удлинение первой пружины 1) равно удлинению второй пружины 2) в 2 раза больше удлинения второй пружины 3) в 2 раза меньше удлинения второй пружины 4) в 4 раза меньше удлинения второй пружины
|
4 | Снаряд, импульс которого p был направлен горизонтально, разорвался на два осколка. Импульс одного осколка p1 сразу после разрыва был направлен вертикально вниз (рис. 1). Какое направление имел импульс p2 второго осколка (рис. 2)?
Рис. 1
Рис. 2 1) 1; 2) 2; 3) 3; 4) 4
|
5 | В двух высоких сосудах находятся разные жидкости. На рисунке приведены графики зависимости давления этих жидкостей от высоты столба.
Выберите верное утверждение. 1) Масса жидкости 2 больше, чем масса жидкости 1. 2) Плотность жидкости 1 больше, чем плотность жидкости 2. 3) Плотность жидкости 1 меньше, чем плотность жидкости 2. 4) На одной и той же глубине жидкости оказывают одинаковое давление.
|
6 | В таблице указаны некоторые характеристики планет Солнечной системы. Все параметры в таблице, кроме плотности, указаны в отношении к аналогичным данным Земли.
Используя данные таблицы, выберите из предложенного перечня два верных утверждения. Укажите их номера. 1) По мере удаления от Солнца масса планет увеличивается. 2) Плотность планет земной группы больше плотности планет-гигантов. 3) Самую большую угловую скорость вращения вокруг своей оси имеет Венера. 4) Время, проходимое планетой по её орбите, характеризует сутки на данной планете. 5) Планеты-гиганты характеризуются наличием большого количества спутников.
| ||||||||||||||||||||||||||||||||||||||||||||||||||||||||||||||||||||||||||||||||||||||||
7 | С какой силой давит на дно лифта груз массой 100 кг, если лифт начинает движение вертикально вверх с ускорением 2 м/с2?
|
8 | На рисунке изображён график зависимости давления р от объёма V при переходе газа в отсутствие теплопередачи из состояния 1 в состояние 2.
При указанном процессе внутренняя энергия газа 1) не изменяется 2) может увеличиться или уменьшиться 3) обязательно уменьшается 4) обязательно увеличивается
|
9 | В процессе кипения вода превращается в пар. Как при этом изменяется температура и внутренняя энергия системы вода — пар? Установите соответствие между физическими величинами и их возможными изменениями. Для каждой величины определите соответствующий характер изменения: 1) увеличивается 2) уменьшается 3) не изменяется
|
10 | При нагревании и последующем плавлении кристаллического вещества массой 100 г измеряли его температуру и количество теплоты, сообщённое веществу. Данные измерений представлены в виде таблицы. Последнее измерение соответствует окончанию процесса плавления. Считая, что потерями энергии можно пренебречь, определите удельную теплоту плавления вещества.
|
11 | Что из перечисленного является диэлектриком? 1) графит 2) влажная почва 3) серебро 4) янтарь
|
12 | Электрическая цепь собрана из источника тока, лампочки и тонкой железной проволоки, соединённых последовательно. Лампочка станет гореть ярче, если 1) подсоединить к проволоке параллельно вторую такую же проволоку 2) подсоединить к проволоке последовательно вторую такую же проволоку 3) железную проволоку заменить на нихромовую 4) поменять местами проволоку и лампочку
|
13 | В однородном магнитном поле, вектор магнитной индукции которого параллелен плоскости чертежа, на проводник с током, расположенный перпендикулярно плоскости чертежа (см. рисунок), действует сила, направленная
1) вправо 2) влево 3) вверх 4) вниз
|
14 | Луч света переходит из стекла в воздух, преломляясь на границе раздела двух сред. Какое из направлений 1-4 соответствует преломлённому лучу?
1) 1; 2) 2; 3) 3; 4) 4
|
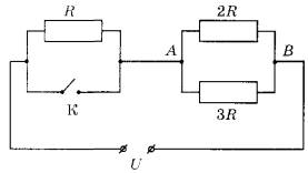
15 | На рисунке изображена схема электрической цепи, включающей источник постоянного напряжения U, три резистора сопротивлениями R, 2R, 3R и ключ К.
Как изменяются при замыкании ключа сила тока, протекающего через резистор 3R. и общее электрическое сопротивление цепи? Установите соответствие между физическими величинами и их возможными изменениями. Для каждой величины определите соответствующий характер изменения: 1) увеличивается 2) уменьшается 3) не изменяется
|
16 | Утюг работает от сети, напряжение которой 220 В. Какой заряд проходит через нагревательный элемент утюга за 5 мин? Сопротивление утюга равно 27,5 Ом.
|
17 | Какой(-ие) вид(-ы) радиоактивного излучения, проходящего через сильное магнитное поле, не отклоняется(-ются)? 1) альфа-излучение 2) бета-излучение 3) гамма-излучение 4) альфа-излучение и бета-излучение
|
18 | Ученик провёл опыты по изучению силы трения скольжения, равномерно перемещая брусок с грузами по горизонтальным поверхностям с помощью динамометра (см. рисунок).
Результаты измерений массы бруска с грузами m, площади соприкосновения бруска и поверхности S и приложенной силы F он представил в таблице.
На основании результатов выполненных измерений можно утверждать, что сила трения скольжения 1) не зависит от площади соприкосновения бруска и поверхности 2) с увеличением площади соприкасаемых поверхностей увеличивается 3) с увеличением массы бруска увеличивается 4) зависит от рода соприкасающихся поверхностей
|
19 | Используя стакан с горячей водой, термометр и часы, учитель на уроке провёл опыты по исследованию температуры остывающей воды с течением времени. Результаты измерений он занёс в таблицу.
Из предложенного перечня выберите два утверждения, соответствующие экспериментальным наблюдениям. Укажите их номера. 1) Остывание воды происходит до комнатной температуры. 2) За первые 5 минут вода остыла в большей степени, чем за следующие 5 минут. 3) Температура остывающей воды обратно пропорциональна времени наблюдения. 4) Скорость остывания воды уменьшается по мере охлаждения воды. 5) По мере остывания скорость испарения уменьшается.
|
20 | Какое(-ие) из утверждений верно(-ы)? А. Допустимое время пребывания водолаза на глубине прямо пропорционально глубине погружения. Б. Батисфера представляет собой самоуправляемый аппарат для исследования морских глубин. 1) только А 2) только Б 3) и А, и Б 4) ни А, ни Б
|
21 | Как изменяется по мере погружения колокола плотность и давление воздуха в нём? 1) плотность и давление увеличиваются 2) плотность и давление уменьшаются 3) плотность увеличивается, давление уменьшается 4) плотность и давление не изменяются
|
22 | Допустима ли (согласно таблице) работа водолаза на глубине 30 метров в течение 2,5 ч? Ответ поясните.
|
23 | Соберите экспериментальную установку для определения работы электрического тока, совершаемой в резисторе, используя источник тока, вольтметр, амперметр, ключ, реостат, соединительные провода и резистор, обозначенный R2. При помощи реостата установите в цепи силу тока 0,5 А. Определите работу электрического тока в резисторе в течение 5 мин. В бланке ответов: 1) нарисуйте электрическую схему эксперимента; 2) запишите формулу для расчёта работы электрического тока; 3) укажите результаты измерения напряжения при силе тока 0,5 А; 4) запишите численное значение работы электрического тока.
|
24 | При каких условиях у человека возникает в большей степени ощущения жары: 1) при температуре воздуха 35 °С и относительной влажности 90%; 2) при температуре воздуха 35 °С и относительной влажности 40%? Ответ поясните.
|
25 | С какой скоростью нужно бросить вертикально вниз с высоты 1,25 м шарик, чтобы после удара он поднялся на высоту в 3 раза большую, если в процессе удара теряется 40 % механической энергии шара? Сопротивлением воздуха пренебречь.
|
26 | Электроплитка имеет две спирали. Если в сеть включена первая спираль, то вода в кастрюле закипает через 20 минут, если спирали включены последовательно, то — через 30 минут. Через какое время закипит вода в кастрюле, если включена только вторая спираль? Начальные температуры и массы воды одинаковы. Сопротивление спиралей электроплитки не зависит от условий работы.
|
| Авторизация через | ![]() |
Сборник предназначен для самостоятельной подготовки к выпускным экзаменам. Благодаря тестовым заданиям из открытого банка заданий, вы можете проверить свои знания и определить, насколько подготовлены к соответствующим экзаменам. Также этот сборник будет полезен учителям, которые могут использовать его для контроля результатов освоения школьниками образовательных программ основного общего образования и интенсивной подготовки учащихся.
При выполнении заданий на экзаменах можно пользоваться черновиком. Записи в черновике не учитываются при оценивании работы. Баллы, полученные Вами за выполненные задания, суммируются. Постарайтесь выполнить как можно больше заданий и набрать наибольшее количество баллов.
Желаем успехов при сдаче экзаменов!
| < Предыдущий | Следующий > |